A limited number of X-V tube microphone kits remain available for purchase for $65 per kit. Please read to the bottom of this post to order.
The MSH-4 Design
From 2006-2007 I built the MSH-4 tube microphone. Of all of my discontinued products, I’ve gotten more requests to revive that microphone than any other. It was popular because of the “secret sauce” of the 6418 tube, which is a generous helping of the “good” kind of harmonic distortion (lots of second-order, plenty of third, some fourth, and not too much else) combined with what I think is a kind of exciter-style effect from the microphonic and resonant properties of the tube.
Over the years I have worked on new tube designs, but never built anything that I felt overcome all of the limitations of the MSH-4:
- reliance upon a dwindling supply of NOS (new-old-stock) subminiature tubes
- the difficult power supply requirements of a phantom-powered tube microphone
- the need to select the available tubes for low filament noise
The MSH-4 used Raytheon 6418, which is a popular choice for phantom-powered projects because it only needs a maximum of +30V plate and 12.5mW filament power. That’s within the reach of +48V phantom power. However, like many subminiature tubes, it has to be physically isolated from vibration or its filament will oscillate, typically at a very noticeable 4-6kHz. There are other subminiature tubes that are less prone to that problem, but they draw too much power for a phantom-powered project.
I think I got lucky with the MSH-4 design, because the first batch of 6418s I had happened to be quiet; I could use 2 out of every 3. Later in MSH-4 production that figure dropped to 1 out of 3. Keep that in mind when ordering tubes!
More critically, customers were having trouble getting the microphone to work with preamplifiers that had substandard phantom power. This is because the MSH-4 required the full phantom power spec of +48V and 10mA current per microphone. There are many preamplifiers on the market that cannot meet that requirement—and their manufacturers are not forthcoming about that deficiency. When a customer tried an MSH-4 with one of those models, the microphone simply wouldn’t work.
Because of those factors, the MSH-4 would have been a better kit microphone project than a commercial product. So I put several improvements into the design and offer it here as the X-V tube kit microphone, in celebration of the ten-year anniversary of the MSH-4.
The X-V tube kit microphone

The X-V is offered in two versions:
- full kit: PCB soldered to XLR pins, case, connectors, clip, and all components except the tube.
- partial kit (discontinued): PCB and all components except the tube.
The full kit is designed as an X-R series amplifier, and is compatible with any X-R capsule. The partial kit is for those who want to use the circuit with their own capsule and case. It will work with any capsule wired in “2-wire” (formally called common source) plug-in power format (for the X-R series, I supply +8V across 6.8kΩ).
The PCB has soldermask, silkscreen, and plated-through holes. It’s nice and durable so it makes for an easy assembly. With the full kit, I will have already soldered the XLR pins to the PCB for you–that takes a bit of practice to get right—I’ve done several thousand of them. But the rest is up to you!
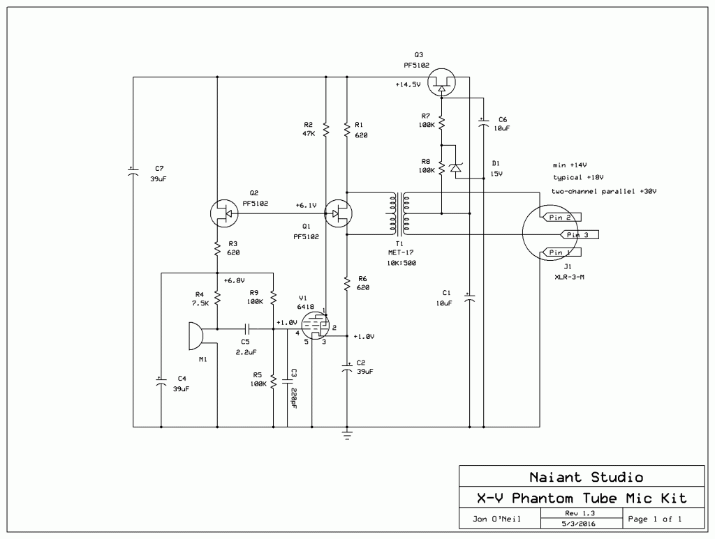
Schematic
Comparing the MSH-4 schematic, you’ll notice a few changes. First, instead of output capacitors and supply resistors, there is a step-down output transformer! That solves a few problems: first, it has lower DC resistance to incoming phantom power, saving the 4.5V of drop across the MSH-4’s supply resistors. Second, it eliminates the need for output capacitors, which isn’t a problem really, but it’s doing two jobs in one. Third, it drops the output level down from the gain of the tube, and lowers the output impedance nicely (this will become important later). Fourth, it starts to roll off below 60Hz, which I am claiming as a product benefit 🙂 This is because of the output impedance of the circuit at Q1 combined with the not-very-high inductance of the primary, which is typical of subminiature transformers. But I like that response to tame proximity effect when using a capsule like the X-R side-address cardioid.
Next, it has two simple voltage regulators–Q3 holds the plate supply at about +14V; Q2 gives the mic capsule roughly the voltage at the plate, which is around +7V. These aren’t precision regulators, but they don’t need to be, they get the job done simply.
The grid bias network around R9, R5, and C5 wasn’t necessary on the MSH-4, because it used a “3-wire” capsule layout (formally called source follower) that happened to bias at about the right point and could thus be direct-coupled.
The most important improvement is the combination of the transformer with the Q3 regulator. The MSH-4 was unregulated, and thus very dependent on precisely-to-spec phantom power. The X-V is a bit more relaxed, and because of its regulator it can perform a trick that the MSH-4 couldn’t manage.
Let’s look at the MSH-4 power rail for a moment. The filament is set to draw 9mA; that means that the voltage drop across the preamp’s phantom supply resistors was:
Vdrop = 0.009A * (6800Ω || 6800Ω) = 30.6V
The MSH-4’s two 1kΩ supply resistors subtracted another 4.5V drop. Thus, from a +48V supply, the voltage remaining for the output FET/filament circuit was +14V. However, phantom power is in spec if it is 48V +/-4V, so that means the range of that power rail was +10-18V.
The MSH-4 drew its plate supply separately, which would thus also vary by +/-4V, and the voltage at the plate determined the current through the filament via the output FET. It was a delicate balance that could be easily upset.
The X-V avoids such issues with the Q3 regulator; with only the 30.6V phantom resistor drop to handle, it will output a regulated +14V with a +44V-52V phantom supply.
Another improvement from the MSH-4 is the X-V kit’s larger case, which makes it easier to isolate the tube from vibration.
Power supply and cabling
There is still the problem of noncompliant phantom power supplies that can’t manage 9mA even at +44V. One solution that has been suggested by a clever fellow (“Zapnspark”) at the Microphone DIY group is a step-down charge pump. That works well, but maybe isn’t a good choice for a basic DIY project since most charge pump ICs are SMT (“surface-mount technology”) parts.
Instead, the X-V has a much simpler solution: build a parallel XLR Y cable and run the X-V into two microphone inputs!
Using two channels reduces the voltage drop to 15.3V (such that even a +30V supply would work) and only requires 4.5mA per channel. I would hope any supply advertised as +48V could manage that! I don’t include the cable parts in the kit, but if you can build the kit I am sure you can manage a cable 🙂 It only needs to be a very short pigtail cable; run a regular XLR cable from the X-V to the Y cable at your preamp. No worries about the load from two channels, because of that step-down output transformer 😉
Parts list

- 2x 10uF/50V polar electrolytic capacitors
- 3x 39uF/16V polar electrolytic capacitors
- 1x 2.2uF/50V nonpolar electrolytic capacitor
- 1x 220pF ceramic capacitor
- 1x MET-17 10k:500Ω transformer
- 3x PF5102 FETs
- 1x 15V zener diode
- 4x 100kΩ resistors
- 3x 620Ω resistors
- 1x 47kΩ resistor
- 1x 7.5kΩ resistor
- tube socket
- PCB
- case (full kit only)
- D-panel RCA connector in blue (full kit only)
- D-panel XLR-3-M connector (full kit only)
- standard mic clip (full kit only)
- hookup wire (full kit only)
As said earlier, this kit does not include the tube! But you can buy them all day long from vendors on eBay for less than $2 each. I have no recommendation there as I haven’t bought any in over a decade. However, it seems like they are much easier to find today than they were back in 2007!
I do recommend buying *at least* three tubes per microphone, because you will want to select them for low filament noise. I include a socket with the kit so you can try out different tubes, but once you have made a selection I would remove the socket and solder the tube directly to the PCB. The socket isn’t really that tight of a fit for the tube leads. So when you solder the socket, leave it as high off the PCB as possible, as that will make it easier to remove.
You will also want to work out a method of damping the tube from vibration; I would keep the tube leads longer than I have shown below and make sure the tube doesn’t contact the case. Maybe use rubber O-rings or something. Be creative, this is DIY!
Instructions for assembly
I’ve designed this to be as simple as possible: each resistor has a silkscreened number which corresponds with the schematic. You will need to measure the resistors as I am not going bag and label each one separately. So don’t try this kit without a multimeter! You need one of those to build electronics!
Don’t match this picture by resistor color codes, because I tweaked a couple of resistor values after the first build so the schematic doesn’t exactly match this picture. Measure and match the resistors to the schematic to the PCB silkscreen!

Mind the polarity markings on the diode, FETs, and polar capacitors–C5 (the pretty green input cap) and C3 are nonpolar (C3 is designed with the “C” silkscreen; it’s the little blue guy in the picture), so no worries there. For the polar caps, the stripe marks the cathode, which goes to the round pad on the PCB.
Make sure to line up pin 1 of the transformer with the square pad! It won’t work very well in reverse!

The PCB has a solid ground plane, so the ground pads will require a bit more attention to make sure they are soundly soldered. Heat the pad with a tiny bit of solder for a few seconds before adding enough solder to flow across the entire joint.

After you have finished assembly and installed a tube, hook it up to your preamp. It’s good form to connect the mic and then switch on the phantom power—that will minimize the filament ringing. If you don’t get approximately the voltages shown on the schematic, something is wrong. If you don’t have at least +14V at T1, your preamp might not be up to the task. Try the two-channel Y cable trick and see if that helps. If that’s not the issue, check continuity of all ground points, and make sure nothing is accidentally grounded that shouldn’t be.

A word on tube selection–give it a gentle nudge with your fingernail and see how loud and long the ringing is. Pick the tube that performs the quietest on that test.

You will find that the X-V is best on moderate-volume sources; you want something loud enough to push the tube nicely into distortion, but not so loud that the output is hopelessly clipped. The 6418 in this circuit has very nice asymmetrical soft clipping at around -14dBV; thus I wouldn’t push it much higher than 114dBSPL with a standard X-R capsule.

Ordering
You’ve made it to the end? Excellent! Please find the X-V full kit and deluxe kit (with side address cardioid capsule) on Naiant’s Reverb store.
Note that the X-V is female RCA input, so order capsules with male RCA output. For the side-address cardioid capsule (which is my favorite with the X-V), you’ll also need the RCA male-male adaptor, which adds some serious bling!

Enjoy your new tube microphone!

